PORT PERANGKAT
5027
FMB920

Berikut ini merupakan gambar diagram dari perangkat FMB920
Pinout

Berikut ini merupakan informasi setiap pin i/o dari FMB920
Nomor Pin | Nama Pin | Deskripsi |
---|---|---|
1 | VCC (6-30) V DC (+) | (Red) Power supply (+6-30 V DC) |
2 | GND (-) | (Black) Ground |
3 | DIN1 | (Yellow) Digital input, channel 1. DEDICATED FOR IGNITION INPUT |
4 | AIN1 | (Grey) Analog input, channel 1. Input range: 0-30 V DC |
5 | DOUT1 | (White) Digital output. Open collector output. Max. 0.5 A DC |
Skema Kabel

Gambar diatas merupakan diagram dari perangkat FMB920
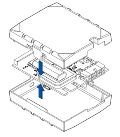
Cara Instalasi Perangkat
Note: Ketika akan melakukan memasukan SIM Card, pastikan perangkat dalam keadaan mati dan baterai dalam keadaan tidak tersambung, karena akan menyebabkan SIM Card rusak atau perangkat tidak dapat mendeteksi SIM Card

Buka cover perangkat secara hati-hati menggunakan alat pengcungkil dari plastik atau kliping yang cukup tipis agar tidak merusak perangkat ketika sedang membukanya.

Masukan Micro-SIM card dan pastikan posisi bagian yang terpotong mengarah kedepan slot dan bukan sebaliknya.

Pasang baterai dengan menyambung kabel baterai terlebih dahulu dengan perangkat seperti yang terlihat pada gambar. Posisikan baterai dengan benar agar tidak berbenturan dengan komponen lain dari perangkat.

Pasang kembali cover perangkat ketika sudah selesai melakukan instalasi perangkat, pastikan menutup perangkat sesuai dengan posisi ketika saat pertama kali dibuka.
SMS Parameter
Konfigurasi awal perangkat GPS Tracker guna memaksimalkan kualitas dari pelacakan FMB920
Note: Sebelum mengetikan SMS, sisipkan dua spasi terlebih dahulu.
Konfigurasi APN
Melakukan konfigurasi APN untuk jaringan seluler perangkat.
Format | setparam 2001:APN;2002:APN_username; :APN_password |
Contoh | setparam 2001:internet;2002:wap;2003:wap123 |
Balasan | New value 2001:internet;2002:wap;2003:wap123; |
Konfigurasi IP/Domain Server dan Port
Melakukan konfigurasi IP/Domain Server dan Port untuk menghubungkan perangkat dengan server.
Format | setparam 2004:Domain;2005:Port;2006:Data_sending_protocol(TCP/UDP) |
Contoh | setparam 2004:listener.indogps.id;2005:5027;2006:0 |
Balasan | New value 2004:listener.indogps.id;2005:5027;2006:0 |
Konfigurasi Server Cadangan
Melakukan konfigurasi untuk membuat Server cadangan.
Format | setparam 2010:backup_server_mode(cadangkan/duplikasi)2007:backup_domain;2008:backup_port;2009: backup_data_sending_protocol(TCP/UDP) |
Keterangan | 0 = tidak aktif, 1= cadangkan, 2 = duplikasi |
Contoh | setparam 2010:1;2007:backup.indogps.id;2008:5027;2009:0 |
Balasan | New value 2004:backup.indogps.id;2005:5027;2006:0 |
Interval Pengiriman Data
Melakukan konfigurasi waktu interval pengiriman data ke server
Format | setparam 10000:berhenti(detik);10050:bergerak(detik);10051:jarak(meter);10052:sudut(derajat); |
Contoh | setparam 10000:3600;10050:300;10051:100(meter);10052:10;10053:10 |
Balasan | New value 10000:3600;10050:300;10051:100;10052:10;10053:10 |
Konfigurasi Pembaca ACC (DIN1)
Melakukan konfigurasi pembacaan ACC(Accessory) untuk digital input 1 perangkat GPS.
Format | setparam 101:nilai |
Contoh | setparam 101:1 |
Balasan | New value 101:1 |
Tambah Nomor Otoritas
Menambahkan nomor otoritas yang diizinkan untuk mengonfigurasi perangkat. Jika tidak ada nomor otoritas yang ditambahkan, SMS diperbolehkan menggunakan semua nomor GSM
Format | setparam 4000:nomor1;4001:nomor2;4002:nomor3 |
Contoh | setparam 4000:+628xxxxxx |
Balasan | New value 4000:+628xxxxxxx |
Mengaktifkan DOUT (immobilizer/buzzer/relay)
Melakukan konfigurasi untuk mengaktifkan atau menonaktifkan DOUT.
Format | setdigout 1/0 |
Keterangan | 1 = DOUT aktif , 0 = DOUT tidak aktif |
Contoh | setdigout 1 |
Balasan | DOUT1:0 Timeout:INFINITY |
Informasi Perangkat
Parameter yang memungkinkan pengguna melihat informasi perangkat GPS Tracker.
Format | getinfo |
Balasan | RTC:2017/6/16 7:13 Init:2017/6/16 5:44 UpTime:4744s PWR:PwrVoltage RST:0 GPS:2 SAT:0 TTFF:0 TTLF:0 NOGPS: 1:18 SR:0 FG:200 FL:0 SMS: 3 REC:42 MD:1 DB:0 |
Status Perangkat
Parameter yang memungkinkan pengguna melihat koneksi perangkat GPS Tracker.
Format | getstatus |
Balasan | Data Link: 0 GPRS: 1 Phone: 0 SIM: 0 OP: 24602 Signal: 5 NewSMS:0 Roaming: 0 SMSFull: 0 LAC: 1 Cell ID: 3055 NetType: 3 FwUpd:0 |
Lokasi dengan Tautan Google Maps
Parameter yang memungkinkan pengguna melihat lokasi perangkat melalui aplikasi Google Maps.
Format | ggps |
Balasan | Jika GPS No fix (sinyal GPS tidak ada) : GPS Data not Available. No GPS signal GPS Fix (sinyal GPS ada) : D:17/1/9 T:12:52:30 S:0.00 C:54.666042, 25.225032 Url: http://maps.google.com/?q=54.666042,25.225032&om=1speed:0 |
Mulai Ulang Perangkat (reset)
Parameter yang memungkinkan Anda memuat ulang perangkat GPS Tracker.
Format | cpureset |
PORT PERANGKAT
5027
FMB001

Gambar diatas merupakan diagram dari perangkat FMB001
Pinout

Berikut ini merupakan informasi setiap pin i/o dari FMB001
Nomor Pin | Nama Pin |
---|---|
1 | - |
2 | PWM_BUS+ |
3 | - |
4 | Ground |
5 | Ground |
6 | HS CAN High |
7 | K Line |
8 | - |
9 | - |
10 | PWM_BUS- |
11 | - |
12 | - |
13 | - |
14 | HS CAN Low |
15 | L Line |
16 | Power Suply |
Cara Instalasi Perangkat
Note: Ketika akan melakukan memasukan SIM Card, pastikan perangkat dalam keadaan mati dan baterai dalam keadaan tidak tersambung, karena akan menyebabkan SIM Card rusak atau perangkat tidak dapat mendeteksi SIM Card

Buka cover perangkat secara hati-hati dari kedua sisi perangkat, menggunakan alat pengcungkil dari plastik atau kliping yang cukup tipis agar tidak merusak perangkat ketika sedang membukanya.

Masukan Micro-SIM card dan pastikan posisi bagian yang terpotong mengarah kedepan slot dan bukan sebaliknya.

Pasang baterai dengan menyambung kabel baterai terlebih dahulu dengan perangkat seperti yang terlihat pada gambar. Posisikan baterai dengan benar agar tidak berbenturan dengan komponen lain dari perangkat.

Pasang kembali cover perangkat ketika sudah selesai melakukan instalasi perangkat, pastikan menutup perangkat sesuai dengan posisi ketika saat pertama kali dibuka.
SMS Parameter
Konfigurasi awal perangkat GPS Tracker guna memaksimalkan kualitas dari pelacakan FMB001
Note: Sebelum mengetikan SMS, sisipkan dua spasi terlebih dahulu.
Konfigurasi APN
Melakukan konfigurasi APN untuk jaringan seluler perangkat.
Format | setparam 2001:APN;2002:APN_username; :APN_password |
Contoh | setparam 2001:internet;2002:wap;2003:wap123 |
Balasan | New value 2001:internet;2002:wap;2003:wap123; |
Konfigurasi IP/Domain Server dan Port
Melakukan konfigurasi IP/Domain Server dan Port untuk menghubungkan perangkat dengan server.
Format | setparam 2004:Domain;2005:Port;2006:Data_sending_protocol(TCP/UDP) |
Contoh | setparam 2004:listener.indogps.id;2005:5027;2006:0 |
Balasan | New value 2004:listener.indogps.id;2005:5027;2006:0 |
Konfigurasi Server Cadangan
Melakukan konfigurasi untuk membuat Server cadangan.
Format | setparam 2010:backup_server_mode(cadangkan/duplikasi)2007:backup_domain;2008:backup_port;2009: backup_data_sending_protocol(TCP/UDP) |
Keterangan | 0 = tidak aktif, 1= cadangkan, 2 = duplikasi |
Contoh | setparam 2010:1;2007:backup.indogps.id;2008:5027;2009:0 |
Balasan | New value 2004:backup.indogps.id;2005:5027;2006:0 |
Interval Pengiriman Data
Melakukan konfigurasi waktu interval pengiriman data ke server
Format | setparam 10000:berhenti(detik);10050:bergerak(detik);10051:jarak(meter);10052:sudut(derajat); |
Contoh | setparam 10000:3600;10050:300;10051:100(meter);10052:10;10053:10 |
Balasan | New value 10000:3600;10050:300;10051:100;10052:10;10053:10 |
Konfigurasi Pembaca ACC (DIN1)
Melakukan konfigurasi pembacaan ACC(Accessory) untuk digital input 1 perangkat GPS.
Format | setparam 101:nilai |
Contoh | setparam 101:1 |
Balasan | New value 101:1 |
Tambah Nomor Otoritas
Menambahkan nomor otoritas yang diizinkan untuk mengonfigurasi perangkat. Jika tidak ada nomor otoritas yang ditambahkan, SMS diperbolehkan menggunakan semua nomor GSM
Format | setparam 4000:nomor1;4001:nomor2;4002:nomor3 |
Contoh | setparam 4000:+628xxxxxx |
Balasan | New value 4000:+628xxxxxxx |
Mengaktifkan DOUT (immobilizer/buzzer/relay)
Melakukan konfigurasi untuk mengaktifkan atau menonaktifkan DOUT.
Format | setdigout 1/0 |
Keterangan | 1 = DOUT aktif , 0 = DOUT tidak aktif |
Contoh | setdigout 1 |
Balasan | DOUT1:0 Timeout:INFINITY |
Informasi Perangkat
Parameter yang memungkinkan pengguna melihat informasi perangkat GPS Tracker.
Format | getinfo |
Balasan | RTC:2017/6/16 7:13 Init:2017/6/16 5:44 UpTime:4744s PWR:PwrVoltage RST:0 GPS:2 SAT:0 TTFF:0 TTLF:0 NOGPS: 1:18 SR:0 FG:200 FL:0 SMS: 3 REC:42 MD:1 DB:0 |
Status Perangkat
Parameter yang memungkinkan pengguna melihat koneksi perangkat GPS Tracker.
Format | getstatus |
Balasan | Data Link: 0 GPRS: 1 Phone: 0 SIM: 0 OP: 24602 Signal: 5 NewSMS:0 Roaming: 0 SMSFull: 0 LAC: 1 Cell ID: 3055 NetType: 3 FwUpd:0 |
Lokasi dengan Tautan Google Maps
Parameter yang memungkinkan pengguna melihat lokasi perangkat melalui aplikasi Google Maps.
Format | ggps |
Balasan | Jika GPS No fix (sinyal GPS tidak ada) : GPS Data not Available. No GPS signal GPS Fix (sinyal GPS ada) : D:17/1/9 T:12:52:30 S:0.00 C:54.666042, 25.225032 Url: http://maps.google.com/?q=54.666042,25.225032&om=1speed:0 |
Mulai Ulang Perangkat (reset)
Parameter yang memungkinkan Anda memuat ulang perangkat GPS Tracker.
Format | cpureset |
PORT PERANGKAT
5027
FMB003

Gambar diatas merupakan diagram dari perangkat FMB003
Pinout

Berikut ini merupakan informasi setiap pin i/o dari FMB003
Nomor Pin | Nama Pin |
---|---|
1 | SW CAN / LS CAN High |
2 | - |
3 | MS CAN / 3-8 High |
4 | Ground |
5 | Ground |
6 | HS CAN High |
7 | K Line |
8 | 3-8 CAN Low |
9 | LS CAN Low |
10 | - |
11 | MS CAN Low |
12 | - |
13 | - |
14 | HS CAN Low |
15 | L Line |
16 | Power Suply |
Cara Instalasi Perangkat
Note: Ketika akan melakukan memasukan SIM Card, pastikan perangkat dalam keadaan mati dan baterai dalam keadaan tidak tersambung, karena akan menyebabkan SIM Card rusak atau perangkat tidak dapat mendeteksi SIM Card

Buka cover perangkat secara hati-hati menggunakan alat pengcungkil dari plastik atau kliping yang cukup tipis agar tidak merusak perangkat ketika sedang membukanya.

Masukan Micro-SIM card dan pastikan posisi bagian yang terpotong mengarah kedepan slot dan bukan sebaliknya.

Pasang baterai dengan menyambung kabel baterai terlebih dahulu dengan perangkat seperti yang terlihat pada gambar. Posisikan baterai dengan benar agar tidak berbenturan dengan komponen lain dari perangkat.

Pasang kembali cover perangkat ketika sudah selesai melakukan instalasi perangkat, pastikan menutup perangkat sesuai dengan posisi ketika saat pertama kali dibuka.
SMS Parameter
Konfigurasi awal perangkat GPS Tracker guna memaksimalkan kualitas dari pelacakan FMB003
Note: Sebelum mengetikan SMS, sisipkan dua spasi terlebih dahulu.
Konfigurasi APN
Melakukan konfigurasi APN untuk jaringan seluler perangkat.
Format | setparam 2001:APN;2002:APN_username; :APN_password |
Contoh | setparam 2001:internet;2002:wap;2003:wap123 |
Balasan | New value 2001:internet;2002:wap;2003:wap123; |
Konfigurasi IP/Domain Server dan Port
Melakukan konfigurasi IP/Domain Server dan Port untuk menghubungkan perangkat dengan server.
Format | setparam 2004:Domain;2005:Port;2006:Data_sending_protocol(TCP/UDP) |
Contoh | setparam 2004:listener.indogps.id;2005:5027;2006:0 |
Balasan | New value 2004:listener.indogps.id;2005:5027;2006:0 |
Konfigurasi Server Cadangan
Melakukan konfigurasi untuk membuat Server cadangan.
Format | setparam 2010:backup_server_mode(cadangkan/duplikasi)2007:backup_domain;2008:backup_port;2009: backup_data_sending_protocol(TCP/UDP) |
Keterangan | 0 = tidak aktif, 1= cadangkan, 2 = duplikasi |
Contoh | setparam 2010:1;2007:backup.indogps.id;2008:5027;2009:0 |
Balasan | New value 2004:backup.indogps.id;2005:5027;2006:0 |
Interval Pengiriman Data
Melakukan konfigurasi waktu interval pengiriman data ke server
Format | setparam 10000:berhenti(detik);10050:bergerak(detik);10051:jarak(meter);10052:sudut(derajat); |
Contoh | setparam 10000:3600;10050:300;10051:100(meter);10052:10;10053:10 |
Balasan | New value 10000:3600;10050:300;10051:100;10052:10;10053:10 |
Konfigurasi Pembaca ACC (DIN1)
Melakukan konfigurasi pembacaan ACC(Accessory) untuk digital input 1 perangkat GPS.
Format | setparam 101:nilai |
Contoh | setparam 101:1 |
Balasan | New value 101:1 |
Tambah Nomor Otoritas
Menambahkan nomor otoritas yang diizinkan untuk mengonfigurasi perangkat. Jika tidak ada nomor otoritas yang ditambahkan, SMS diperbolehkan menggunakan semua nomor GSM
Format | setparam 4000:nomor1;4001:nomor2;4002:nomor3 |
Contoh | setparam 4000:+628xxxxxx |
Balasan | New value 4000:+628xxxxxxx |
Mengaktifkan DOUT (immobilizer/buzzer/relay)
Melakukan konfigurasi untuk mengaktifkan atau menonaktifkan DOUT.
Format | setdigout 1/0 |
Keterangan | 1 = DOUT aktif , 0 = DOUT tidak aktif |
Contoh | setdigout 1 |
Balasan | DOUT1:0 Timeout:INFINITY |
Informasi Perangkat
Parameter yang memungkinkan pengguna melihat informasi perangkat GPS Tracker.
Format | getinfo |
Balasan | RTC:2017/6/16 7:13 Init:2017/6/16 5:44 UpTime:4744s PWR:PwrVoltage RST:0 GPS:2 SAT:0 TTFF:0 TTLF:0 NOGPS: 1:18 SR:0 FG:200 FL:0 SMS: 3 REC:42 MD:1 DB:0 |
Status Perangkat
Parameter yang memungkinkan pengguna melihat koneksi perangkat GPS Tracker.
Format | getstatus |
Balasan | Data Link: 0 GPRS: 1 Phone: 0 SIM: 0 OP: 24602 Signal: 5 NewSMS:0 Roaming: 0 SMSFull: 0 LAC: 1 Cell ID: 3055 NetType: 3 FwUpd:0 |
Lokasi dengan Tautan Google Maps
Parameter yang memungkinkan pengguna melihat lokasi perangkat melalui aplikasi Google Maps.
Format | ggps |
Balasan | Jika GPS No fix (sinyal GPS tidak ada) : GPS Data not Available. No GPS signal GPS Fix (sinyal GPS ada) : D:17/1/9 T:12:52:30 S:0.00 C:54.666042, 25.225032 Url: http://maps.google.com/?q=54.666042,25.225032&om=1speed:0 |
Mulai Ulang Perangkat (reset)
Parameter yang memungkinkan Anda memuat ulang perangkat GPS Tracker.
Format | cpureset |
PORT PERANGKAT
5027
FMB130

Berikut ini merupakan gambar diagram dari perangkat FMB130
Pinout

Berikut ini merupakan informasi setiap pin i/o dari FMB130
Nomor Pin | Nama Pin | Deskripsi |
---|---|---|
1 | VCC (10-30) V DC (+) | Power supply (+10-30 V DC). |
2 | DOUT 3 | Digital output, channel 3. Open collector output. Max. 0,5 A DC |
3 | DIN 3 / AIN 2 | Analog input, channel 2. Input range: 0-30 V DC / Digital input, channel 3. |
4 | DIN 2-N / AIN 1 | Digital input, channel 2, Negative input, Analog input, channel 1, Input range: 0-30 V DC. |
5 | DIN 1 | Digital input, channel 1. |
6 | INPUT 6 | TX EXT (LVCAN – TX). |
7 | GND (-) | Ground pin. (10-30) V DC (―) |
8 | DOUT 1 | Digital output, channel 1. Open collector output. Max. 0,5 A DC.. |
9 | DOUT 2 | Digital output, channel 2. Open collector output. Max. 0,5 A DC. |
10 | 1WIRE POWER | +3,8 V output for 1–Wire devices. |
11 | 1WIRE DATA | Data for 1–Wire devices. |
12 | INPUT 5 | RX EXT (LVCAN - RX). |
Skema Kabel

Gambar diatas merupakan diagram dari perangkat FMB130
Cara Instalasi Perangkat
Note: Ketika akan melakukan memasukan SIM Card, pastikan perangkat dalam keadaan mati dan baterai dalam keadaan tidak tersambung, karena akan menyebabkan SIM Card rusak atau perangkat tidak dapat mendeteksi SIM Card

Buka cover perangkat secara hati-hati menggunakan alat pengcungkil dari plastik atau kliping yang cukup tipis agar tidak merusak perangkat ketika sedang membukanya.

Masukan Micro-SIM card dan pastikan posisi bagian yang terpotong mengarah kedepan slot dan bukan sebaliknya.

Pasang baterai dengan menyambung kabel baterai terlebih dahulu dengan perangkat seperti yang terlihat pada gambar. Posisikan baterai dengan benar agar tidak berbenturan dengan komponen lain dari perangkat.

Pasang kembali cover perangkat ketika sudah selesai melakukan instalasi perangkat, pastikan menutup perangkat sesuai dengan posisi ketika saat pertama kali dibuka.
SMS Parameter
Konfigurasi awal perangkat GPS Tracker guna memaksimalkan kualitas dari pelacakan FMB130
Note: Sebelum mengetikan SMS, sisipkan dua spasi terlebih dahulu.
Konfigurasi APN
Melakukan konfigurasi APN untuk jaringan seluler perangkat.
Format | setparam 2001:APN;2002:APN_username; :APN_password |
Contoh | setparam 2001:internet;2002:wap;2003:wap123 |
Balasan | New value 2001:internet;2002:wap;2003:wap123; |
Konfigurasi IP/Domain Server dan Port
Melakukan konfigurasi IP/Domain Server dan Port untuk menghubungkan perangkat dengan server.
Format | setparam 2004:Domain;2005:Port;2006:Data_sending_protocol(TCP/UDP) |
Contoh | setparam 2004:listener.indogps.id;2005:5027;2006:0 |
Balasan | New value 2004:listener.indogps.id;2005:5027;2006:0 |
Konfigurasi Server Cadangan
Melakukan konfigurasi untuk membuat Server cadangan.
Format |
setparam 2010:backup_server_mode(cadangkan/duplikasi)2007:backup_domain;2008:backup_port;2009:
backup_data_sending_protocol(TCP/UDP) |
Keterangan | 0 = tidak aktif, 1= cadangkan, 2 = duplikasi |
Contoh | setparam 2010:1;2007:backup.indogps.id;2008:5027;2009:0 |
Balasan | New value 2004:backup.indogps.id;2005:5027;2006:0 |
Interval Pengiriman Data
Melakukan konfigurasi waktu interval pengiriman data ke server
Format | setparam 10000:berhenti(detik);10050:bergerak(detik);10051:jarak(meter);10052:sudut(derajat); |
Contoh | setparam 10000:3600;10050:300;10051:100(meter);10052:10;10053:10 |
Balasan | New value 10000:3600;10050:300;10051:100;10052:10;10053:10 |
Konfigurasi Pembaca ACC (DIN1)
Melakukan konfigurasi pembacaan ACC(Accessory) untuk digital input 1 perangkat GPS.
Format | setparam 101:nilai |
Contoh | setparam 101:1 |
Balasan | New value 101:1 |
Tambah Nomor Otoritas
Menambahkan nomor otoritas yang diizinkan untuk mengonfigurasi perangkat. Jika tidak ada nomor otoritas yang ditambahkan, SMS diperbolehkan menggunakan semua nomor GSM
Format | setparam 4000:nomor1;4001:nomor2;4002:nomor3 |
Contoh | setparam 4000:+628xxxxxx |
Balasan | New value 4000:+628xxxxxxx |
Mengaktifkan DOUT (immobilizer/buzzer/relay)
Melakukan konfigurasi untuk mengaktifkan atau menonaktifkan DOUT.
Format | setdigout 1/0 |
Keterangan | 1 = DOUT aktif , 0 = DOUT tidak aktif |
Contoh | setdigout 1 |
Balasan | DOUT1:0 Timeout:INFINITY |
Informasi Perangkat
Parameter yang memungkinkan pengguna melihat informasi perangkat GPS Tracker.
Format | getinfo |
Balasan | RTC:2017/6/16 7:13 Init:2017/6/16 5:44 UpTime:4744s PWR:PwrVoltage RST:0 GPS:2 SAT:0 TTFF:0 TTLF:0 NOGPS: 1:18 SR:0 FG:200 FL:0 SMS: 3 REC:42 MD:1 DB:0 |
Status Perangkat
Parameter yang memungkinkan pengguna melihat koneksi perangkat GPS Tracker.
Format | getstatus |
Balasan | Data Link: 0 GPRS: 1 Phone: 0 SIM: 0 OP: 24602 Signal: 5 NewSMS:0 Roaming: 0 SMSFull: 0 LAC: 1 Cell ID: 3055 NetType: 3 FwUpd:0 |
Lokasi dengan Tautan Google Maps
Parameter yang memungkinkan pengguna melihat lokasi perangkat melalui aplikasi Google Maps.
Format | ggps |
Balasan | Jika GPS No fix (sinyal GPS tidak ada) : GPS Data not Available. No GPS signal GPS Fix (sinyal GPS ada) : D:17/1/9 T:12:52:30 S:0.00 C:54.666042, 25.225032 Url: http://maps.google.com/?q=54.666042,25.225032&om=1speed:0 |
Mulai Ulang Perangkat (reset)
Parameter yang memungkinkan Anda memuat ulang perangkat GPS Tracker.
Format | cpureset |
PORT PERANGKAT
5027
FMB140

Berikut ini merupakan gambar diagram dari perangkat FMB140
Pinout

Berikut ini merupakan informasi setiap pin i/o dari FMB140
Nomor Pin | Nama Pin | Deskripsi |
---|---|---|
1 | VCC (10-30) V DC (+) | Power supply (+10-30 V DC). |
2 | DIN 3 / AIN 2 | Analog input, channel 2. Input range: 0-30 V DC / Digital input, channel 3. |
3 | DIN2-N / AIN1 | Digital input, channel 2 / Analog input, channel 2. Input range: 0-30 V DC / GND Sense input |
4 | DIN1 | Digital input, channel 1. |
5 | CAN2L | CAN LOW, 2nd line |
6 | CAN1L | CAN LOW, 1st line |
7 | GND (-) | Ground pin. (10-30) V DC (―) |
8 | DOUT 1 | Digital output, channel 1. Open collector output. Max. 0,5 A DC.. |
9 | DOUT 2 | Digital output, channel 2. Open collector output. Max. 0,5 A DC. |
10 | 1WIRE DATA | Data for 1–Wire devices. |
11 | CAN2H | CAN HIGH, 2nd line |
12 | CAN1H | CAN HIGH, 1st line |
Skema Kabel

Gambar diatas merupakan diagram dari perangkat FMB140
Cara Instalasi Perangkat
Note: Ketika akan melakukan memasukan SIM Card, pastikan perangkat dalam keadaan mati dan baterai dalam keadaan tidak tersambung, karena akan menyebabkan SIM Card rusak atau perangkat tidak dapat mendeteksi SIM Card

Buka cover perangkat secara hati-hati menggunakan alat pengcungkil dari plastik atau kliping yang cukup tipis agar tidak merusak perangkat ketika sedang membukanya.

Masukan Micro-SIM card dan pastikan posisi bagian yang terpotong mengarah kedepan slot dan bukan sebaliknya.

Pasang baterai dengan menyambung kabel baterai terlebih dahulu dengan perangkat seperti yang terlihat pada gambar. Posisikan baterai dengan benar agar tidak berbenturan dengan komponen lain dari perangkat.

Pasang kembali cover perangkat ketika sudah selesai melakukan instalasi perangkat, pastikan menutup perangkat sesuai dengan posisi ketika saat pertama kali dibuka.
SMS Parameter
Konfigurasi awal perangkat GPS Tracker guna memaksimalkan kualitas dari pelacakan FMB140
Note: Sebelum mengetikan SMS, sisipkan dua spasi terlebih dahulu.
Konfigurasi APN
Melakukan konfigurasi APN untuk jaringan seluler perangkat.
Format | setparam 2001:APN;2002:APN_username; :APN_password |
Contoh | setparam 2001:internet;2002:wap;2003:wap123 |
Balasan | New value 2001:internet;2002:wap;2003:wap123; |
Konfigurasi IP/Domain Server dan Port
Melakukan konfigurasi IP/Domain Server dan Port untuk menghubungkan perangkat dengan server.
Format | setparam 2004:Domain;2005:Port;2006:Data_sending_protocol(TCP/UDP) |
Contoh | setparam 2004:listener.indogps.id;2005:5027;2006:0 |
Balasan | New value 2004:listener.indogps.id;2005:5027;2006:0 |
Konfigurasi Server Cadangan
Melakukan konfigurasi untuk membuat Server cadangan.
Format |
setparam 2010:backup_server_mode(cadangkan/duplikasi)2007:backup_domain;2008:backup_port;2009:
backup_data_sending_protocol(TCP/UDP) |
Keterangan | 0 = tidak aktif, 1= cadangkan, 2 = duplikasi |
Contoh | setparam 2010:1;2007:backup.indogps.id;2008:5027;2009:0 |
Balasan | New value 2004:backup.indogps.id;2005:5027;2006:0 |
Interval Pengiriman Data
Melakukan konfigurasi waktu interval pengiriman data ke server
Format | setparam 10000:berhenti(detik);10050:bergerak(detik);10051:jarak(meter);10052:sudut(derajat); |
Contoh | setparam 10000:3600;10050:300;10051:100(meter);10052:10;10053:10 |
Balasan | New value 10000:3600;10050:300;10051:100;10052:10;10053:10 |
Konfigurasi Pembaca ACC (DIN1)
Melakukan konfigurasi pembacaan ACC(Accessory) untuk digital input 1 perangkat GPS.
Format | setparam 101:nilai |
Contoh | setparam 101:1 |
Balasan | New value 101:1 |
Tambah Nomor Otoritas
Menambahkan nomor otoritas yang diizinkan untuk mengonfigurasi perangkat. Jika tidak ada nomor otoritas yang ditambahkan, SMS diperbolehkan menggunakan semua nomor GSM
Format | setparam 4000:nomor1;4001:nomor2;4002:nomor3 |
Contoh | setparam 4000:+628xxxxxx |
Balasan | New value 4000:+628xxxxxxx |
Mengaktifkan DOUT (immobilizer/buzzer/relay)
Melakukan konfigurasi untuk mengaktifkan atau menonaktifkan DOUT.
Format | setdigout 1/0 |
Keterangan | 1 = DOUT aktif , 0 = DOUT tidak aktif |
Contoh | setdigout 1 |
Balasan | DOUT1:0 Timeout:INFINITY |
Informasi Perangkat
Parameter yang memungkinkan pengguna melihat informasi perangkat GPS Tracker.
Format | getinfo |
Balasan | RTC:2017/6/16 7:13 Init:2017/6/16 5:44 UpTime:4744s PWR:PwrVoltage RST:0 GPS:2 SAT:0 TTFF:0 TTLF:0 NOGPS: 1:18 SR:0 FG:200 FL:0 SMS: 3 REC:42 MD:1 DB:0 |
Status Perangkat
Parameter yang memungkinkan pengguna melihat koneksi perangkat GPS Tracker.
Format | getstatus |
Balasan | Data Link: 0 GPRS: 1 Phone: 0 SIM: 0 OP: 24602 Signal: 5 NewSMS:0 Roaming: 0 SMSFull: 0 LAC: 1 Cell ID: 3055 NetType: 3 FwUpd:0 |
Lokasi dengan Tautan Google Maps
Parameter yang memungkinkan pengguna melihat lokasi perangkat melalui aplikasi Google Maps.
Format | ggps |
Balasan | Jika GPS No fix (sinyal GPS tidak ada) : GPS Data not Available. No GPS signal GPS Fix (sinyal GPS ada) : D:17/1/9 T:12:52:30 S:0.00 C:54.666042, 25.225032 Url: http://maps.google.com/?q=54.666042,25.225032&om=1speed:0 |
Mulai Ulang Perangkat (reset)
Parameter yang memungkinkan Anda memuat ulang perangkat GPS Tracker.
Format | cpureset |
PORT PERANGKAT
5027
FMC920

Berikut ini merupakan gambar diagram dari perangkat FMC920
Pinout

Berikut ini merupakan informasi setiap pin i/o dari FMC920
Nomor Pin | Nama Pin | Deskripsi |
---|---|---|
1 | VCC (10-30) V DC (+) | (Red) Power supply (+10-30 V DC) |
2 | GND (-) | (Black) Ground |
3 | DIN1 | (Yellow) Digital input, channel 1. DEDICATED FOR IGNITION INPUT |
4 | AIN1 | (Grey) Analog input, channel 1. Input range: 0-30 V DC |
5 | DOUT1 | (White) Digital output. Open collector output. Max. 0.5 A DC |
Skema Kabel

Gambar diatas merupakan diagram dari perangkat FMC920
Cara Instalasi Perangkat
Note: Ketika akan melakukan memasukan SIM Card, pastikan perangkat dalam keadaan mati dan baterai dalam keadaan tidak tersambung, karena akan menyebabkan SIM Card rusak atau perangkat tidak dapat mendeteksi SIM Card

Buka cover perangkat secara hati-hati menggunakan alat pengcungkil dari plastik atau kliping yang cukup tipis agar tidak merusak perangkat ketika sedang membukanya.

Masukan Micro-SIM card dan pastikan posisi bagian yang terpotong mengarah kedepan slot dan bukan sebaliknya.

Buka pita perekat yang terdapat dibagian bawah baterai

Pasang baterai seperti yang terlihat pada gambar. Posisikan baterai dengan benar agar tidak berbenturan dengan komponen lain dari perangkat dan pastikan pita perekat merekat dengan perangkat.

Setelah baterai terpasang dengan baik, koneksikan kabel baterai dengan pin yang ada pada perangkat.

Pasang kembali cover perangkat ketika sudah selesai melakukan instalasi perangkat, pastikan menutup perangkat sesuai dengan posisi ketika saat pertama kali dibuka.
SMS Parameter
Konfigurasi awal perangkat GPS Tracker guna memaksimalkan kualitas dari pelacakan FMC920
Note: Sebelum mengetikan SMS, sisipkan dua spasi terlebih dahulu.
Konfigurasi APN
Melakukan konfigurasi APN untuk jaringan seluler perangkat.
Format | setparam 2001:APN;2002:APN_username; :APN_password |
Contoh | setparam 2001:internet;2002:wap;2003:wap123 |
Balasan | New value 2001:internet;2002:wap;2003:wap123; |
Konfigurasi IP/Domain Server dan Port
Melakukan konfigurasi IP/Domain Server dan Port untuk menghubungkan perangkat dengan server.
Format | setparam 2004:Domain;2005:Port;2006:Data_sending_protocol(TCP/UDP) |
Contoh | setparam 2004:listener.indogps.id;2005:5027;2006:0 |
Balasan | New value 2004:listener.indogps.id;2005:5027;2006:0 |
Konfigurasi Server Cadangan
Melakukan konfigurasi untuk membuat Server cadangan.
Format |
setparam 2010:backup_server_mode(cadangkan/duplikasi)2007:backup_domain;2008:backup_port;2009:
backup_data_sending_protocol(TCP/UDP) |
Keterangan | 0 = tidak aktif, 1= cadangkan, 2 = duplikasi |
Contoh | setparam 2010:1;2007:backup.indogps.id;2008:5027;2009:0 |
Balasan | New value 2004:backup.indogps.id;2005:5027;2006:0 |
Interval Pengiriman Data
Melakukan konfigurasi waktu interval pengiriman data ke server
Format | setparam 10000:berhenti(detik);10050:bergerak(detik);10051:jarak(meter);10052:sudut(derajat); |
Contoh | setparam 10000:3600;10050:300;10051:100(meter);10052:10;10053:10 |
Balasan | New value 10000:3600;10050:300;10051:100;10052:10;10053:10 |
Konfigurasi Pembaca ACC (DIN1)
Melakukan konfigurasi pembacaan ACC(Accessory) untuk digital input 1 perangkat GPS.
Format | setparam 101:nilai |
Contoh | setparam 101:1 |
Balasan | New value 101:1 |
Tambah Nomor Otoritas
Menambahkan nomor otoritas yang diizinkan untuk mengonfigurasi perangkat. Jika tidak ada nomor otoritas yang ditambahkan, SMS diperbolehkan menggunakan semua nomor GSM
Format | setparam 4000:nomor1;4001:nomor2;4002:nomor3 |
Contoh | setparam 4000:+628xxxxxx |
Balasan | New value 4000:+628xxxxxxx |
Mengaktifkan DOUT (immobilizer/buzzer/relay)
Melakukan konfigurasi untuk mengaktifkan atau menonaktifkan DOUT.
Format | setdigout 1/0 |
Keterangan | 1 = DOUT aktif , 0 = DOUT tidak aktif |
Contoh | setdigout 1 |
Balasan | DOUT1:0 Timeout:INFINITY |
Informasi Perangkat
Parameter yang memungkinkan pengguna melihat informasi perangkat GPS Tracker.
Format | getinfo |
Balasan | RTC:2017/6/16 7:13 Init:2017/6/16 5:44 UpTime:4744s PWR:PwrVoltage RST:0 GPS:2 SAT:0 TTFF:0 TTLF:0 NOGPS: 1:18 SR:0 FG:200 FL:0 SMS: 3 REC:42 MD:1 DB:0 |
Status Perangkat
Parameter yang memungkinkan pengguna melihat koneksi perangkat GPS Tracker.
Format | getstatus |
Balasan | Data Link: 0 GPRS: 1 Phone: 0 SIM: 0 OP: 24602 Signal: 5 NewSMS:0 Roaming: 0 SMSFull: 0 LAC: 1 Cell ID: 3055 NetType: 3 FwUpd:0 |
Lokasi dengan Tautan Google Maps
Parameter yang memungkinkan pengguna melihat lokasi perangkat melalui aplikasi Google Maps.
Format | ggps |
Balasan | Jika GPS No fix (sinyal GPS tidak ada) : GPS Data not Available. No GPS signal GPS Fix (sinyal GPS ada) : D:17/1/9 T:12:52:30 S:0.00 C:54.666042, 25.225032 Url: http://maps.google.com/?q=54.666042,25.225032&om=1speed:0 |
Mulai Ulang Perangkat (reset)
Parameter yang memungkinkan Anda memuat ulang perangkat GPS Tracker.
Format | cpureset |